Купить Датчик геркон Н.О, 2-х проводной, Арт. CSH-223-2, производства Камоцци (Camozzi), вы можете в компании KSAMASTER (КСАМАСТЕР), оформив заказ в интернет магазине, отправив заявку по почте info@ksamaster.com, позвонив по телефону +7 (8552) 919-689 или в офисе компании
Принцип действия = геркон
Соединение = 2-х проводное
Напряжение = 10 : 30 V AC/DC
Максимальный ток = 250 mA
Максимальная нагрузка = 10 VA / 8W
Защита = от изменения полярности
Длина кабеля = 2м
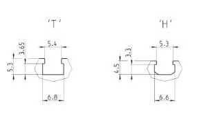
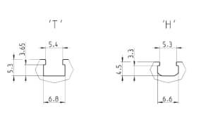
Используется для H-slot и T-slot
При изменении полярности подключения датчик сохраняет работоспособность, но светодиод включаться не будет
Доставка по городу Набережные Челны от 300 рублей (доставка осуществляется 1-2 дня)
Самовывоз бесплатно.
Доставка в другие регионы транспортной компанией или почтой России от 2 до 15 дней (за счет покупателя).
Получите бесплатную консультацию от нашего ведущего специалиста прямо сейчас!